森霸LLS06-S F3平頭有邊光敏傳感器替代傳統光敏電阻 (CDS)
不含鎘、鉛等有害物質,符合歐盟 ROHS標準
自動調節背景光,如 LCD,手機,照相機,電腦攝像頭等
適用于各種光控照明產品和光控玩具:如小夜燈等
峰值感光波長520nm
低功耗
高可靠性
批量一致性好,完全解決燈起動過早或一致性不好等現像
響應速度快,性能穩定,+85℃高溫/65%高濕條件下老化1000H起動點不漂移
可按要求提供不同外型尺寸,方便安裝于產品的任何位置
1.最大額定值(Ta=25℃)
參數名稱 符號 額定值 單位 集電極-發射極電壓 VCEO 2-20 V 發射極-集電極電壓 VCEO 5 V 功耗 Pc 70 mW 工作溫度 Topr -30~+85 ℃ 儲存溫度 Tstg -30~+85 ℃
2.光電特性(Ta=25℃)
參數名稱 符號 測試條件 最小值 典型值 最大值 單位 光電流 IL(1) VDD=5V,EV=10LUX 40 50 60 μA IL(2) VDD=5V,EV=50LUX 250 μA IL(3) VDD=5V,EV=100LUX 450 μA 暗電流 ICEO VDD=5V,EV=0LUX 0.2 μA 感光峰值波長 λp 520 nm 感光波長范圍 λd nm 集電極-發射極電壓 Bvceo IC=100uA Ee=0mW/cm2 70 v 發射極-集電極電壓 Bveco IE=10uA Ee=0mW/cm2 30 v 集電極發射極飽和電壓 Vce(sat) IC=2mA Ee=1mW/cm2 0.4 v 響應時間 開啟時間 TR VCE=5V,IC=1mA RL=10KΩ 10 μs 關閉時間 TR 15
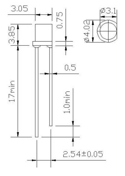
產品尺寸圖

注:
長腳正極(集電極) 短腳負極(發射極)
所有尺寸為毫米(mm), 未指定公差為:±0.15mm
膠體外觀顏色以樣品實物為準
膠體下凸緣宊出樹脂最大為1.0mm
